高い素材 スタックスSRD-7/イヤースピーカーアダプター/少々残念 Yahoo!オークション -「stax srd」の落札相場・落札価格 スピーカー・ウーファー
(3025件)
Pontaパス特典
サンキュー配送
6000円(税込)
60ポイント(1%)
Pontaパス会員ならさらに+1%ポイント還元!
送料
(
)
3022
配送情報
お届け予定日:2026.04.12 22:46までにお届け
※一部地域・離島につきましては、表示のお届け予定日期間内にお届けできない場合があります。
ロットナンバー
64512221984
お買い物の前にチェック!
Pontaパス会員なら
ポイント+1%
ポイント+1%
商品説明
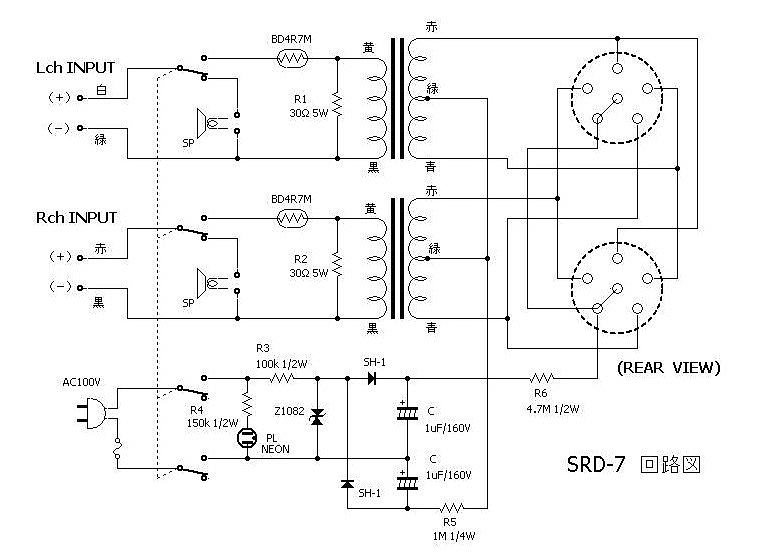
知人から入手したスタックスのイヤースピーカー用アダプターですが、入力を直接接続して使っていたため、入力端子がありません。ケース内の線にセロテープでLH RHと表示してあります。その線に入力を接続すれば動作すると思うのですが、イヤースピーカーを持っていませんので確かめておりません。スピーカーへの出力線もありますので、回路図で確かめていただければと思います。あしからずお許しください。うまく直せる方に使っていただければと思い、出品いたしました。内部には高電圧の部分がありますので、感電に注意が必要です。元箱がついております。☆箱の中から保証書と使用説明書が見つかりました。説明書には回路図が載っています。画像を追加いたしました。通電チェックしてみました。高電圧も出ているようですが、回路途中に高抵抗が入っているため、ドロップしてしまい、家のデジタルメーターでは100ボルトくらいしか上がりません。どうかあしからずです。| カテゴリー: | テレビ・オーディオ・カメラ>>>スピーカー・ウーファー>>>スピーカー |
|---|---|
| 商品の状態: | 傷や汚れあり","多くの人が見てわかるような傷や汚れがある |
| 色: | グレイ系/ホワイト系 |
| 配送料の負担: | 送料込み(出品者負担) |
| 配送の方法: | 佐川急便/日本郵便 |
| 発送元の地域: | 東京都 |
| 発送までの日数: | 4~7日で発送 |
レビュー
商品の評価:




4.4点(3025件)
- masakatsu1219
- 短くて先の丸いUピンを探していました!使いやすいです。
- harutaro0417
- 初めての注文でカーディガン、スカート、カットソー、髪飾りなどを頼んだのですが、どれもとても可愛く、作りもしっかりしています。 リボンやフリル、レースなど女の子の好きなディテールが詰まっていて、四歳の娘も喜んでいます。 お任せのヘアアクセもとても可愛いです☆ ただ、お洋服は普段着ているサイズより少し小さめなので、ワンサイズ大きめか長く着るのであればツーサイズ大きめでもいいかもしれません。 また、リピしたいと思います。
- 3810みん
- 5ヶ月の娘へ購入しました‼ お花のヘアバンドとお花のヘアクリップを購入したのでしが、お花のヘアクリップが入ってなくて、電話したところ、すぐに謝ってくれて、快く対応してくださり、それから2日後くらいにお花のヘアクリップが届きました(*^_^*)とっても丁寧なお店です。
- としま0203
- ちょっと子どもにはお花が大きめだったかな。 でもめっちゃ可愛いです。
- ナインチェプラウス0112
- フルーツがかわいくって思わず購入しました! ピンは髪にはとまりましたが、頭を触ったりすると落ちちゃうこともあるそうです。 ちょっとピンにしたら高いかな?と思ったけど、すごく喜んでもらえたので買ってよかった!
すべて見る
お店の情報
7,367
連絡・応対
4.3
配送スピード
4.3
梱包
4.3










