『4年保証』 LIXIL 小型電気温水器 EHPN-CA12S2 EHPN-CA12V3|LIXIL小型電気温水器 ゆプラス[パブリック向け][据置] 浄水器・整水器
(3013件)
Pontaパス特典
サンキュー配送
13920円(税込)
140ポイント(1%)
Pontaパス会員ならさらに+1%ポイント還元!
送料
(
)
3002
配送情報
お届け予定日:2026.04.18 22:22までにお届け
※一部地域・離島につきましては、表示のお届け予定日期間内にお届けできない場合があります。
ロットナンバー
55131140115
お買い物の前にチェック!
Pontaパス会員なら
ポイント+1%
ポイント+1%
商品説明
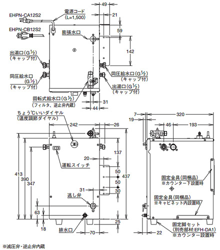
LIXIL INAX 小型電気温水器 (先止め式) EHPN-CA12S2貯湯量 12Lわきあがり温度 75℃満水時質量 19kg定格電圧 100V定格消費電力 1.1kw外形寸法 幅294×奥行342×高さ4372018新品購入、事業所内設置にて毎日では無く週3〜4日の使用済み品になります。動作問題ありません。目立つサビもなくきれいです。別売りで必ず必要となる純正排水器具、純正フィルター付止水栓、画像のものをおつけします。現状の状態にもよりますがそのまま設置可能です。専用品はそろってますので、特種な現場でなければある程度の専門知識がありDIYが出来ればご自身でも取り付け可能です。ご心配な方は業者さんにお願いすれば取り付けのみで済みます。パッキン入っており一応お付けしますが、黒色のパッキン冷水用、水色のパッキンは温水用は新品をホームセンターで購入するのをお勧めします。説明書、固定金具、ビス等の付属品も全て揃っております。新品でついておりました冬季排水用の透明チューブもあります。| カテゴリー: | キッチン・日用品・その他>>>浄水器・整水器>>>その他 |
|---|---|
| 商品の状態: | 目立った傷や汚れなし","細かな使用感・傷・汚れはあるが、目立たない |
| ブランド: | INAX |
| 配送料の負担: | 送料込み(出品者負担) |
| 配送の方法: | 佐川急便/日本郵便 |
| 発送元の地域: | 未定 |
| 発送までの日数: | 1~2日で発送 |
レビュー
商品の評価:




4.4点(3013件)
- さえ8936
- 一年はあっという間なので2本購入。 マンションには絶対の必需品なので安く購入できて有り難いです。 到着してから細かいことはレビューします
- fukuryo0601
- 浄水器なので、出てくる水がカルキ臭いとかは一切ないです。全く水道水とは違います。いろいろな成分が取りきれてるのかは・・までは、私の舌ではわかりません。据え置き型なので、狭い台所には邪魔になりますが、たっぷりの水が出てくるし、値段が高いのは(このお店で安く買えたので、スリムからスタンダードに変更しました。)赤ん坊がいるので、安心を買いました。
- ぽお3564
- カートリッジの価格で、ミネラルウォーター代が助かります。ポットのほうも、もうそろそろ交換したいです。
- しんうえもんさん
- 美味しい水が飲めて満足です。 子供にも、安心して飲ませることができます
- pandapapa1102
- 年に一度の取り替え時期に、一番安い価格の物をと探して購入しました。 毎年のことなのでこの価格に大変得した気分です。
- funksho
- 以前は旧タイプを使用していましたが値段も安くなって 味もかわらずおいしくて満足しています
- ayacoop2493
- ちょうど店頭になく3個パックがあったので購入しました。 浄水器は他にも使いましたがこれが簡単でいいですね。
- samsam0
- 本体は中のフィルターを換えて10年以上使っています。今回出口のところが さすがに劣化してきたので交換したのですが、旧タイプのものより水の出も良くなり、しかも飛び散らない工夫がされていて、格段に使い勝手が良くなりました。
すべて見る
お店の情報
7,367
連絡・応対
4.3
配送スピード
4.3
梱包
4.3










