日本未入荷 三菱インバータ学習マニュアル教材.動画解説付 三菱インバータ学習教材 語学・辞書・学習参考書
(3057件)
Pontaパス特典
サンキュー配送
17284円(税込)
173ポイント(1%)
Pontaパス会員ならさらに+1%ポイント還元!
送料
(
)
3042
配送情報
お届け予定日:2026.04.26 14:50までにお届け
※一部地域・離島につきましては、表示のお届け予定日期間内にお届けできない場合があります。
ロットナンバー
72668283547
お買い物の前にチェック!
Pontaパス会員なら
ポイント+1%
ポイント+1%
商品説明
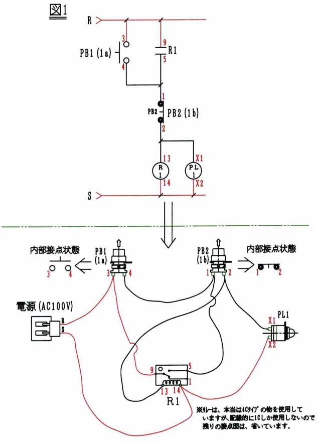
OMD SYSTEM.COM社製【三菱インバータ学習・マニュアル/教材パッケージ】販売定価39800円の教材です。↓YouTube検索キーワード↓[三菱インバータ omd]にて検索して頂けると概要内容の動画が、ご覧頂けます。三菱インバータFR-D700.E700シリーズ、お使いになりたい方やインバータ制御の基本を学びたい方に持ってこいです。「実務で、制御設計をしていたら必ず使う制御機器といったらモーターではないでしょうか!?標準のモーターを使って自由自在に回転速度制御したい方におすすめの教材です。今の三菱インバーター安価でかなり優れものです。回転速度が遅くなってもトルクを維持できる機能など、多彩な用途で使えます。マニュアル&動画マニュアルのみとなります」◎三菱インバータ学習教材1.マニュアル1冊2.マニュアルを動画で説明したCD→50分収録3.パラメータ設定方法(別紙)4.エラー時の原因と対策(別紙)| カテゴリー: | 本・雑誌・漫画>>>本>>>語学・辞書・学習参考書 |
|---|---|
| 商品の状態: | 新品、未使用","新品で購入し、一度も使用していない |
| 配送料の負担: | 送料込み(出品者負担) |
| 配送の方法: | レターパック |
| 発送元の地域: | 大阪府 |
| 発送までの日数: | 1~2日で発送 |
レビュー
商品の評価:




4.3点(3057件)
- shallowss
- このシリーズの絵がかわいいので、探していたらこちらで見つけ購入しました。中古なのである程度は覚悟していましたが、特に難なく美品で満足です(^^)
- manakaスキー
- 最初にイメージしたのは、ウォーリーを探せ系の絵本です。ちょうどアンパンマンで似たものが3冊あったのですが、もう1冊キャラものではないのが欲しくて購入しました。そういった探せ系の絵本に慣れた子にちょうど良い難しさだと思います。勿論、読み物としてもなかなかですよ^^
- くぅママ4629
- 友人の子がクリスマス近くの誕生日なので、せっかくならクリスマス限定イラストカバー付きのこちらの絵本にしました。 サンタさんもちょっぴりもれたろう(笑) 内容はこの作家さんの本なのでもちろんとてもおもしろく、3歳になる子供は夢中で絵を見て読んでもらっていました。
- yoshidenim
- 鬼ではなく、豆が主役でとても面白い内容でした。
- みーふぁ
- あの有名な「象の背中」の絵本版。お子様向けと侮ってはいけません、かなり感動!仕事関係でキッズコーナーの備品として購入したのですが、チラ見したスタッフ達が「うわぁ、続きは1人でゆっくり読みたいなぁ」と言ってました。CDも付いているのですが、お子様に聞かせたら泣いちゃいそうで、なかなか(^^;
- じゅんやん
- 年長の子供に、自分で読める絵本をと思って購入しました。 知っているお話が多いけれど、自分で読むとまた別の楽しみがあるようで、毎日選んで読んでいます。
- あざみ8705
- 新聞に載っていて、気になったので楽天で探してみました。子供が見れば楽しめると思います。
すべて見る
お店の情報
7,367
連絡・応対
4.3
配送スピード
4.3
梱包
4.3










